Автоматическая трубная муфта ATM DN100 (B)
Артикул: 103013
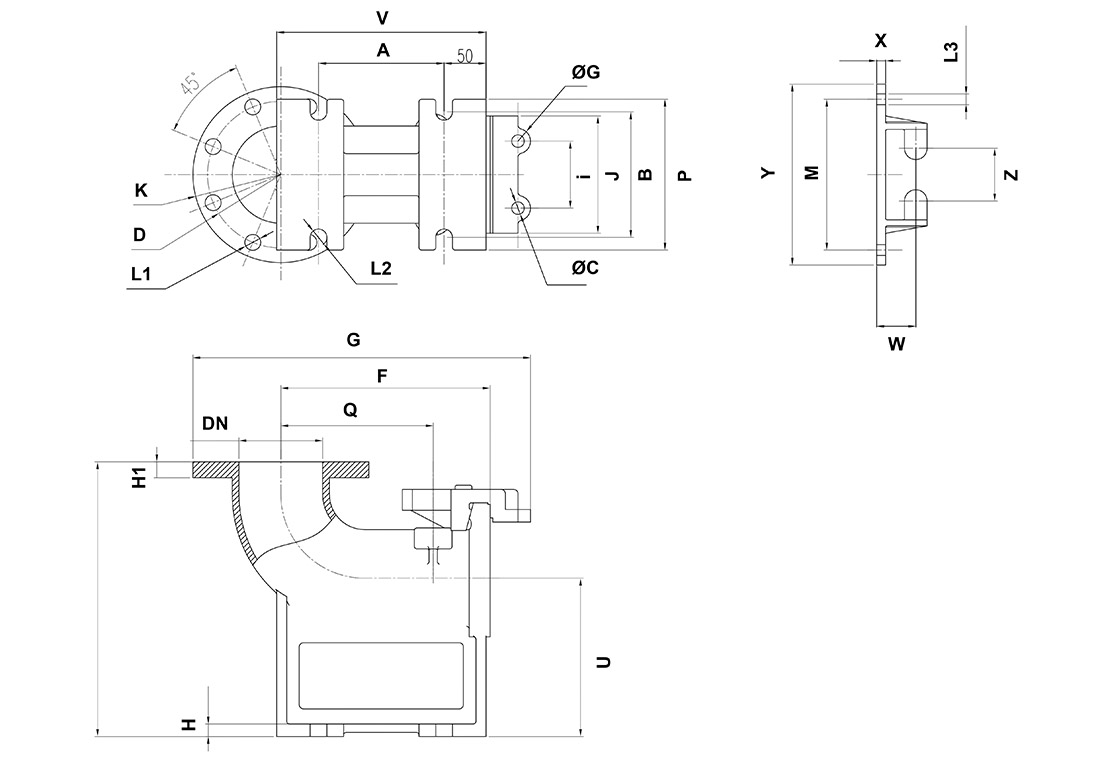
Автоматическая трубная муфта (АТМ) создана для соединения канализационных насосов с трубопроводами. Она подходит для использования в грязной воде и бытовых стоках. АТМ применяется для стационарного погружного монтажа насосов, обеспечивая герметичное соединение между насосом и трубой.
Автоматическая трубная муфта (АТМ), предназначена для соединения канализационных насосов с трубопроводами. Ее используют для облегчения монтажа погружных насосов на напорном трубопроводе. Муфты пригодны для применения в грязной воде и хозяйственно-бытовых стоках. АТМ используется для стационарного погружного монтажа насосов.
Муфты обладают рядом преимуществ, которые делают их идеальным выбором для систем водоотведения. Во-первых, обеспечивают быстрое и надежное соединение без использования дополнительных инструментов. Во-вторых, идеально подходят для использования с различными типами насосов. В-третьих, гарантируют герметичность соединения между насосом и трубой.
Модельный ряд
Наш завод изготавливает муфты следующих размеров:
- От DN 50 м3/ч до DN 600 (для насосов серии - SW)
- И от DN 50 м3/ч до DN 100 (для насосов серии - SWB)
Комплектность
В комплект поставки автоматических трубных муфт входит:
- Соединительная опора с коленом.
- Соединительный фланец с захватом.
- Верхний держатель с креплением направляющих труб.
- Уплотнительное кольцо.
- Комплект крепежных элементов.

.jpg)



















